醫療模塊電源簡介
willard@meanwell.com
近年來電子行業快速發展,電子產品種類、功能日益繁多,連帶著醫療設備也越來越多樣化。一套系統內可能包含了幾種不同的驅動電壓,加上總瓦數的需求也越來越大。早期這類的客戶只能選用多臺單組輸出的醫療產品混搭使用,但現在客戶可以有不同的選擇,可以直接選擇明緯NMP650/1K2醫療模塊電源或選擇符合醫療法規設計的UMP-400醫療模塊電源做系統認證。
UMP-400是一款1U低高度可模塊化的電源供應器,靈活彈性的模塊概念是市面上極少有的電源類型,法規上采符合醫療法規設計與信息類產品安規認證。UMP-400不僅可當單組輸出電源使用,也可選擇搭配已上市的DC-DC轉換器NID35/65/100系列模塊小卡安裝成多輸出模塊電源使用。UMP-400規劃上標準品為單組輸出,有24V/48V二種輸出電壓可選擇,當需求多路輸出電壓時可洽詢明緯,我們可立即提供客制化服務,最多可提供4路電壓輸出,可充分滿足需求多組輸出的各種機臺設備應用。
NMP650/1K2是一款可彈性擴充輸出功率、并具備多種智能控制模式以及小型化設計的醫療級電源供應器—NMP650/1K2系列。NMP輸出模塊彼此互相獨立,且涵蓋超寬電壓調整范圍,用戶可以依照不同的負載需求,透過次級輸出模塊的串并聯組合以及程序化控制輸出電壓與電流,自由調整設定系統所需的輸出條件。此產品具備各種控制功能,如遠程開關機、電壓及電流控制,提供使用者遠程控制的應用需求。轉速自動控制的散熱風扇設計,依照溫度變化可自動調節風扇轉速以提升效率及產品壽命。產品1U小型化設計,大幅提升功率密度,能夠有效率的使用系統空間。認證方面,NMP通過醫療國際法規(60601-1)與資通訊法規(62368-1) 認證。多功能與高質量的絕佳性價比可滿足各產業對高質量電源的要求,加上完善的質量驗證及五年的產品保固,NMP家族為一款兼具高效能、高智能化以及高信賴的醫療級電源供應器。
| 機型 | UMP-400 | NMP650 | NMP1K2 |
| 額定功率 | 400W | 650W | 1200W |
| 輸出電壓 (Vdc) |
24/48 | 需搭配NMS-240 /NMD-240 DC模塊以提供輸出電壓 5/12/24/48,3~55 |
|
| 輸出電壓數 | 4路(Max.) | 4路(Max.) | 6路(Max.) |
| 使用方式 | 1 可單路輸出單獨使用 2 亦可搭配NID系列DC模塊組成多路輸出電壓 |
需搭配NMS-240 /NMD-240模塊組成多路輸出電壓 | |
| 電源散熱方式 | 可自然風冷 完全不需外加底板或風扇散熱 |
內建風扇 | |
| 操作溫度 | -30~70℃ | -30~70℃ | |
| 保固期 | 3年 | 5年 | |
醫療模塊電源推薦選用UMP-400與NMP650/1K2,主要有以下兩大原因 :
1. 系統低漏電流的要求
客戶若選用多臺單組輸出醫療電源供電,會導致設備不能滿足安全法規規定的漏電流(500μA~750μA)要求,因為整個設備的漏電流是所有電源的總漏電流和。由于操作人員往往是沒有專業電氣知識的普通人,因此安全法規制定了嚴格的漏電流標準,以保障操作人員的安全。為了滿足低漏電流的要求,單臺多輸出醫療電源被廣泛使用,因為它僅由一個前端輸入和多個輸出模塊組成,這些輸出模塊可靈活搭配,以滿足電子設備外圍組件不同的的電壓和功率要求。
圖1顯示了明緯單臺模塊電源產品 NMP1K2-HHEKC#-01的漏電流測試結果,該機型由24V,12V,48V和5V四個輸出模塊組成。
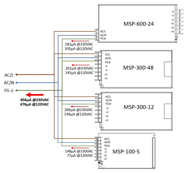
圖2顯示了使用四臺單輸出電源時的總漏電流,四臺機型分別為MSP-600-24、MSP-300-12、MSP-300-48與MSP-100-5。
據測試結果顯示,NMP1K2-HHEKC#-01在230Vac時的漏電流為234μA,遠低于四臺MSP電源856μA的總漏電流。因此,NMP1K2-HHEKC#-01的漏電流可以滿足消費性電子設備的500μA~750μA的漏電流要求。

圖1:120Vac輸入時的漏電流138uA
230Vac輸入時的漏電流234uA

圖2:120Vac輸入時的總漏電電流476uA
230Vac輸入時的總漏電流856uA
大多數使用者都希望選擇“傻瓜型”電源產品,即所選擇的電源只要電壓和負載不超過電源最大值,無論系統的各路負載特性如何變化,電源的各路輸出電壓依然精確無誤;就這一點來講,其他多組輸出醫療產品如MPQ-200系列是無法符合的,只能選用UMP-400與NMP650/1K2等醫療模塊電源。
如圖3是1臺UMP-400-48搭配1臺NID100-15與1臺NID100-12共3組輸出的機型。
從表2測試數據可以看出,每一組的電壓精度都可以達到±0.5%以內??蓾M足絕大多數電子設備的電壓精度要求。

圖3 UMP-400-48KJ_電壓測試
| 組別 | 帶載 | 帶載電壓 | 空載電壓 | 電壓精度 |
| 48V組 | 1A | 48.084V | 48.120V | 0.08% |
| 15V組 | 2A | 15.060V | 15.100V | 0.26% |
| 12V組 | 3A | 12.000V | 12.020V | 0.16% |
表2 UMP-400-48KJ_ 測試資料
UMP-400可如圖4所示,可配置出更多選型組合。
但因為NID系列線路架構的因素,有以下幾點注意事項。
1. NID系列采用輸入與輸出非隔離降壓線路設計,輸入電壓需大于輸出電壓,故NID35/65/100-24必須選擇UMP-400-48當作前級。
2. 僅第4個輸出信道位置(V4)可以配置為負電壓 。
如圖5所示,因為NID35/65/100連接成負電壓輸出時,其輸入電壓必須小于30VDC,故僅UMP-400-24可以配置負輸出電壓模塊。

圖4 UMP-400輸出配置指南

圖5 NID35/65/100 負電壓連接圖
