單相電源于三相電力系統的應用
文: 吳振源 /工程部
willard@meanwell.com
交流電源依供電的主要形式區分,可分為單相、二相與三相交流電源。一般大眾對于三相交流電源感到很陌生,主要原因在于三相交流電源是工業區工廠比較會直接使用到。然而單相交流電源的應用則圍繞在你我周遭,日常生活中用的電就是單相交流電源。
單相交流電源的波形為一正弦波,如圖一所示,頻率大多為50Hz或60Hz。單相交流電源一般使用在低壓(指電壓在600V以下)用電系統,如家用電器及照明。依與負載連接的方式,可分為單相二線式(1Φ2W)及單相三線式(1Φ3W)兩種。
三相交流電源是由三個頻率相同、電勢振幅相等、相位差互差120?的交流電所組成的電力系統,如圖二所示;由有三個繞組的三相發電機產生,是工業上常用的電源。為保證發電機的穩定運行,發電機至少需要三個繞組。理論上發電的相數可以更高,但三相電源最符合經濟效益,因此世界各國普遍使用三相發電、供電。
圖一:單相交流電波形 圖二:三相交流電波形
三相系統繞組的接法,有星形(Y)跟三角形(?)兩種。星型接法是將三繞組的一端接在共同點N,另一端則分接在負載端,如圖三所示。共同點N稱為中性點,若由中性點接出引線,并接在負載端,則接在負載端有四條接線,稱此接法為三相四線式系統(3Φ4W)。如圖四所示,若中性點沒有引線接出,則稱為三相三線式系統(3Φ3W)。一般是將中性點接地,以大地代替中性線,好處是可加裝保護設備,以增加安全性。星形接法相與線的電壓、電流關系為:
a 線電流IL=相電流IP
b 線電壓VL=√3相電壓VP
![]() |
|
| 圖三:三相四線式 (3Φ4W) (有中性線) |
圖四:三相三線式 (3Φ3W) (無中性線) |
三角形接法是將三繞組的頭、尾兩端,接在負載相對的頭、尾兩端,各對應間形成一封閉回路,如圖五所示。三角形接法因沒有中性端引出接線,接線的方式只有三相三線式(3Φ3W)。其相與線的電壓、電流關系為:
a 線電壓VL=相電壓VP
b 線電流IL=√3相電流IP

圖五:三相三角形接法
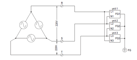
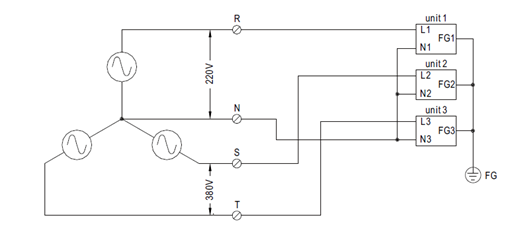
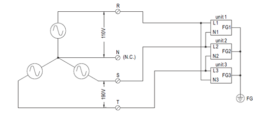
明緯的產品應用范圍非常廣泛,有用在單相交流電源,也有用在三相交流電源;客戶可以依照應用范圍選擇單相或三相交流輸入的產品,但三相交流電源輸入的產品畢竟還是占少數,當單相輸入電源產品的功能與特性符合客戶需求,但應用卻是三相交流電源輸入時,客戶可以利用圖六~圖八的配置方式,將單相交流電源輸入的產品應用在三相交流電源系統上。而為了讓三相交流電源系統盡可能達到平衡,電源的臺數建議為3的倍數且平均將功率分散在三相電源上。
若三相平衡問題不是主要議題或客戶可以搭配其他系統負載讓三相電源達到平衡,客戶也可以任取兩相線電壓直接接到單相交流電源輸入的產品,如圖六~圖八中VR-S / VS-T / VT-S對單一臺Unit的L / N配線;但需確認其交流電壓值須介于產品的輸入電壓范圍。在實務上,終端客戶若搞不清楚其電力系統到底是屬于哪一種?則可以直接拿數字三用電表量測任兩條線的電壓值,只要介于產品的輸入電壓范圍即可。

圖六:三相三線式三角形接法220VAC系統

圖七:三相四線式星形接法220/380VAC系統

圖八:三相四線式星形接法110/190VAC系統
1 . https://kknews.cc/zh-tw/news/l2qnq3b.html
2. http://ocw.nthu.edu.tw/ocw/upload/124/news/[%E9%9B%BB%E5%8B%95%E6%A9%9F%E6%A2%B0L16%E8%A3%9C%E5%85%85%E6%95%99%E6%9D%90]PHMHS_%E9%BB%83%E7%BE%A9%E6%9D%B0_%E4%BA%A4%E6%B5%81%E9%9B%BB%E6%BA%90.pdf
3. https://zh.wikipedia.org/wiki/%E4%B8%89%E7%9B%B8%E9%9B%BB

